Electrical Design

Our custom PCB, microcontroller choice, sensors, and power system. The full schematic and electrical analysis!

Electrical Systems

Original Design Goal

Our original goal was to design a custom, compact, and lightweight PCB that could be mounted directly on the robot. This board would handle power regulation, use an ESP32 as the main controller, drive the robot's wheels for vertical motion, and control the impeller system. To enable full mobility, the system was intended to be battery powered and fully wireless.

Initial Development & First PCB Iteration

Built PCB

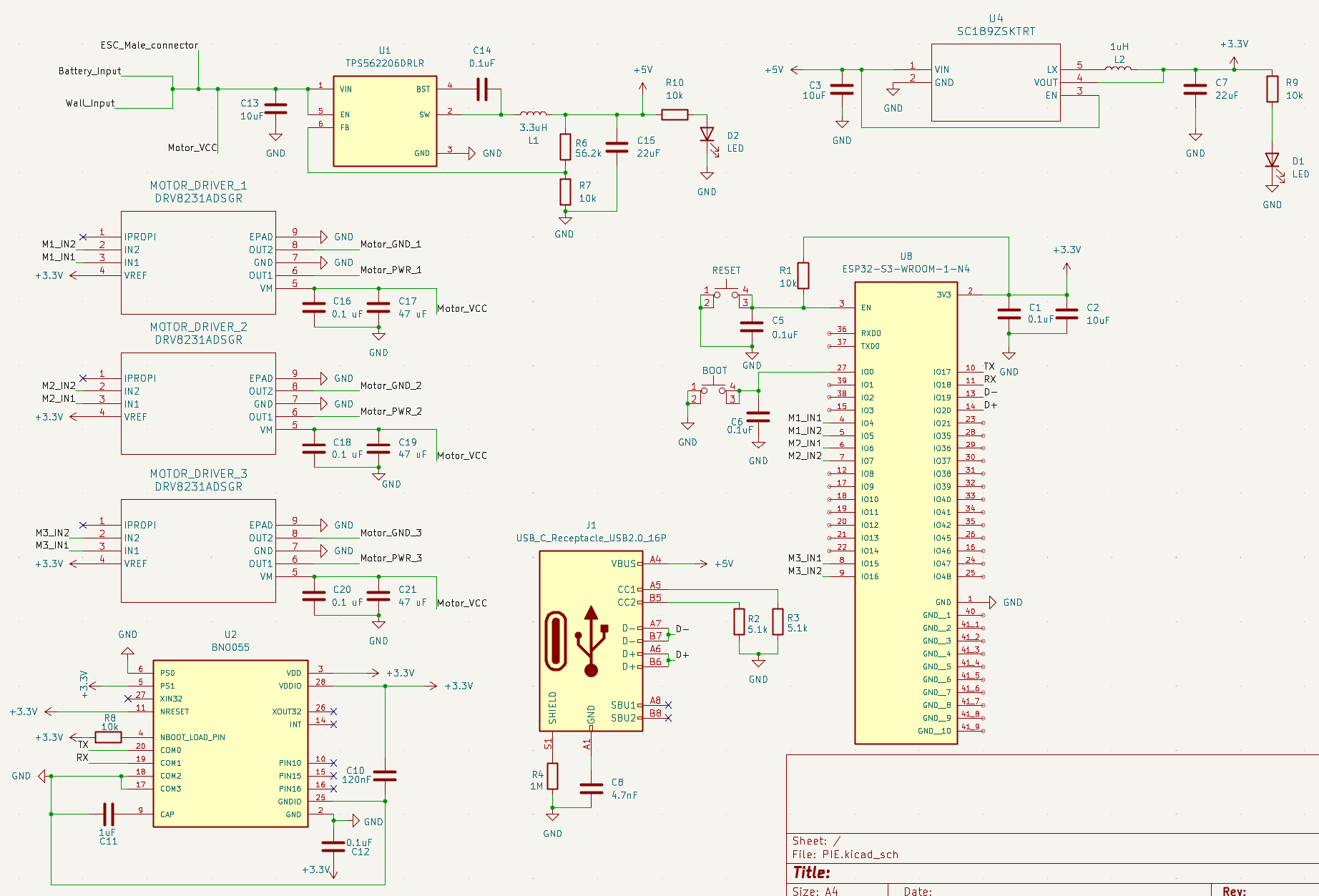
To achieve this, we began by designing our own PCB in KiCad. The initial architecture centered around the ESP32, paired with a BNO055 IMU for orientation sensing and DRV8231 motor drivers to handle the primary actuation needs of the robot.

While this PCB was under development, we validated the robot's mechanical and control concepts using an Arduino with a motor shield. This allowed us to test wheel control and impeller signaling early, independent of the custom board.

First PCB Design

This process resulted in our first full PCB design. The board included:

  • A USB connector for programming and debugging
  • An ESP32 microcontroller
  • IMU and motor driver circuitry
  • Onboard power regulation
Original PCB Schematic PCB 3D Live View

Challenges Encountered

After finalizing the design, we ordered components and attempted assembly. During this phase, several issues became apparent:

  • The USB port was not properly grounded
  • The USB connector was placed too close to the edge of the board, creating mechanical and assembly challenges
  • Excess solder paste led to shorted components
  • Multiple faults arose that were difficult to debug within the available timeframe

As the project deadline approached, we made the decision to pivot in order to ensure a reliable and functional final system. At the same time, we reassessed our initial battery-powered goal and found that battery weight significantly reduced wall adhesion performance, making fully wireless operation impractical for this iteration.

Revised Design Goal

Create a functional, lightweight, and streamlined electrical system that operates reliably and does not interfere with the LiDAR or overall robot operation.

Rather than prioritizing full battery-powered autonomy, we focused on robustness, simplicity, and successful integration with the rest of the system.

Final Electrical Architecture

Despite the pivot, our core requirements remained the same:

  • Motor drivers for three wheels
  • A WiFi-enabled microcontroller for wireless teleoperation
  • Reliable power regulation
  • IMU-based orientation feedback

Main Components

  • Arduino Nano RP2040 Connect
  • LM2596 buck converter
  • MPU-6050 IMU module
  • TB6612FNG dual DC motor driver
  • S-240-12 power supply (12V, 20A)

These components were used alongside the robot's:

  • Brushless motor (impeller)
  • DC motors (drive wheels)
  • Servo motor

Final Schematic

Using this revised architecture, we produced a final electrical schematic that met our functional needs while remaining lightweight and mechanically unobtrusive.

Final Electrical Schematic

Final Implementation & Integration

While we ultimately moved away from our custom PCB design, we remained committed to creating a clean, professional electrical system. Despite using prebuilt modules instead of a custom board, we carefully selected components that were compact enough to fit within the gaps in the top cap of our robot.

Compact Integration & Clean Wiring

Final Robot Wiring

Each module was strategically positioned to maximize space efficiency while maintaining accessibility for debugging and adjustments. We implemented meticulous wire management techniques to ensure the robot remained sleek and clean, with all connections properly routed and secured to prevent interference with the mechanical systems.

Power System Evolution

One of our most significant design changes was the transition from battery power to a constant tethered power source. While this meant the robot was no longer fully wireless, it provided several critical advantages:

  • Unlimited runtime without battery weight compromising wall adhesion
  • Consistent, reliable power delivery without voltage drops
  • Elimination of battery charging downtime during testing

To manage the tethered connection cleanly, we incorporated a slip ring into our design. This rotary electrical contact allowed the robot to rotate freely while maintaining continuous power and data connections, preventing wire tangling and ensuring smooth operation during complex drawing maneuvers.

Trade-offs & Lessons Learned

The shift to prebuilt modules represented a significant trade-off in our design philosophy. We sacrificed the elegance and compactness of a custom PCB for the reliability and rapid development time that commercial modules provided. While our original vision of a sleek, integrated custom board remained unrealized, the modular approach offered distinct advantages:

  • Increased reliability: Proven, tested components reduced debugging time
  • Faster iteration: Easy component swapping enabled rapid prototyping
  • Simplified troubleshooting: Modular design made fault isolation straightforward
  • Reduced risk: Eliminated PCB fabrication and assembly uncertainties

In the end, our electrical system successfully met all functional requirements. While it may not have achieved the aesthetic perfection of our original custom PCB vision, it delivered a robust, reliable platform that allowed us to focus on perfecting the mechanical and software systems. The result was a fully functional robot that consistently performed its drawing tasks—proving that sometimes pragmatic engineering decisions lead to the best outcomes.

← Back to Home